安装与接线


接线图

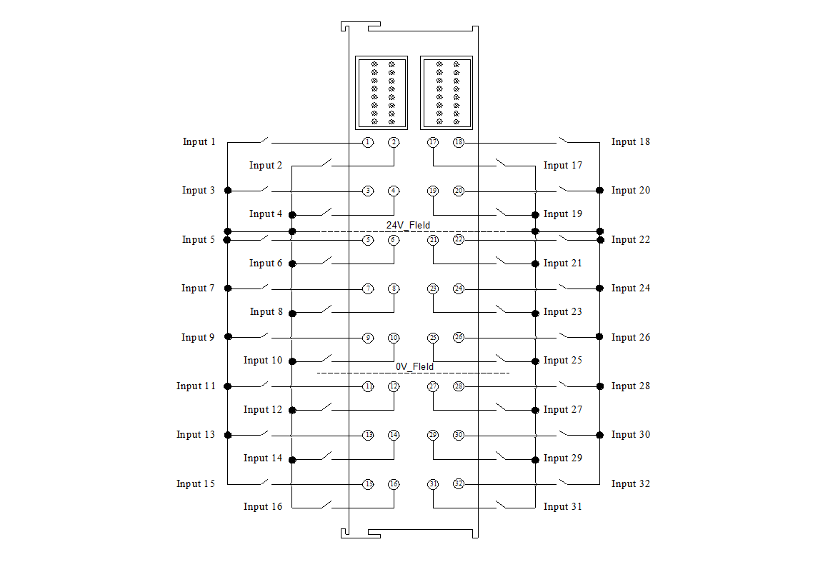
SRL1032接线图

 

SRL1132接线图